



|
NIC-3200-101PS Промышленный медиаконвертер с поддержкой PoE 1 10/100Base-TX PoE 30W + 1 100M SFP слот
Снят с производства · Замена NIC-3200-101PCG
|
Brief |
Промышленные медиаконвертеры NIC-3200-101PS предназначены для преобразования
сигналов между медными 10/100Base-TX и оптическими 100Base-FX сегментами сети Fast Ethernet.
Конвертеры имеют Ethernet порт для подключения витой пары, а так же слот для установки
оптических приемопередатчиков.
Медный порт 10/100Base-TX поддерживает дуплексный и полудуплексный режимы работы,
автоматическое определение скорости (10/100Mbps) и типа кабеля (Auto-MDIX). Оптический порт 100Base-FX выполнен в виде
слота для установки SFP модуля, который подключается к одномодовому или многомодовому оптическому кабелю.
Дальность связи, тип и количество оптических волокон влияют на выбор только модели устанавливаемого SFP модуля,
но не модели самого медиаконвертера. Можно использовать любые Industrial SFP модули.
На передней панели, кроме разъемов, расположены светодиодные индикаторы,
которые информируют о наличии питания, скорости передачи, состоянии портов и DIP-переключатели.
С помощью переключателей устанавливаются различные режимы работы медиаконвертера и активизируются дополнительные функции.
Например, функция обнаружения потери связи LFP (Link Fault Pass-through) позволяет отключать передатчики медного
или оптического порта медиаконвертера при обрыве соединения и оповещать центральный коммутатор,
подключенный к конвертеру, о потере связи.
Медный порт конвертера NIC-3200-101PS поддерживает технологию PoE как обычной мощности,
в соответствии со стандартом IEEE 802.3af (15.4 Вт на порт), так и повышенной мощности (802.3at) до 30 Вт на порт.
Питание подается по сигнальным витым парам 1/2 (+) и 3/6 (-). Выходная мощность на порту
зависит от используемого внешнего источника питания. Конвертер имеет разъем питания в виде четырехконтактного
терминального блока для основного и резервного источников питания с защитой от перегрузки и обратной полярности.
Номинал питающего напряжения от 48 до 57VDC.
Медиаконвертеры предназначены для работы в жестких температурных условиях (-40°C ~ +70°C)
и в широком диапазоне значений питающего напряжения. Металлический корпус имеет сверхкомпактные
размеры, обладает
степенью защиты IP30 и предусматривает возможность крепления на DIN-рейку или стену.
Устройства обеспечивают защиту от неблагоприятных факторов окружающей среды,
имеют высокую виброустойчивость и ударопрочность в соответствие требованиям стандартов.
|
Основные технические характеристики :
| Электрический интерфейс |
 | 1 порт 10/100Base-TX с PoE |
 | Поддержка IEEE802.3/802.3u/802.3x/802.3at |
 | Поддержка Autonegotiation & Auto-MDIX |
 | Размер кадра до 2046 байт |
 | Обработка кадров: Store & forward |
 | Емкость таблицы MAC-адресов 1K |
 | Емкость буфера кадров 288 Кбайт |
 | Разъем RJ-45 |
| Оптический интерфейс |
 | 1 порт 100Base-FX (SFP слот) |
 | Поддержка SFP модулей от 155 Мбит/c |
 | Поддержка Half/Full duplex (10/100-20/200M) |
 | Поддержка функции LFP |
| Поддержка PoE |
 | Поддержка IEEE 802.3at (PoE auto detection) |
 | Максимальная мощность на порту PoE до 30 Вт |
 | Контакты RJ-45 для PoE: 1/2 (+), 3/6 (-) |
|
| Общие характеристики |
 | Светодиодные индикаторы состояния |
 | DIP-переключатели выбора режима |
 | Питание резервируемое: 48~57VDC |
 | Защита цепей питания по току и напряжению |
 | Защита от обратной полярности питания |
 | Потребляемая мощность (без SFP): не более 2 Вт |
 | Рабочая температура: -40°C ~ +70°C |
 | Влажность: 5 ~ 95 % без конденсации |
 | Корпус: защита IP30, монтаж на DIN-рейку/стену |
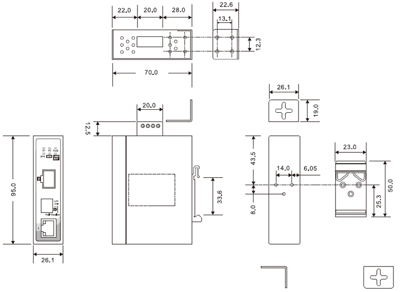
 | Размеры: 95 x 70 x 26 мм; Вес: 210г |
 | Гарантия: до 3 лет |
 | Стандарты по ЭМС: FCC Part 15, EN55022, EN50155, EN 61000-4-2,3,4,5,6,8,11 |
 | Испытание на удар: IEC60068-2-27 |
 | Испытание на падение: IEC60068-2-32 |
 | Испытание на вибрацию: IEC60068-2-6 |
 | Безопасность: EN60950-1 |
|
| Информация для заказа |
| Модели | Артикул | Характеристики |
| NIC-3200-101PS | 63P1SF30 | 1 10/100Base-TX PoE (at) + 1 SFP/100M слот, LFP, 48~57VDC, -40~+70°C |
| SFP модули промышленные для NIC-3200-101PS |
| SF-MM2-I | NM3115-02-I | двухволоконный: 1310 нм, MM, LC, IND, 2 км |
| SF-S01-I | NI3115-10-I | двухволоконный: 1310 нм, SM, LC, IND, 10км |
| SF-W0M/A-I | NC3115-M2-I | одноволоконный: 1310Tx / 1550Rx, MM, SC, IND, 2 км |
| SF-W0M/B-I | NC5515-M2-I | одноволоконный: 1550Tx / 1310Rx, MM, SC, IND, 2 км |
| SF-W02/A-I | NC3115-20-I | одноволоконный: 1310Tx / 1550Rx, SM, SC, IND, 20 км |
| SF-W02/B-I | NC5515-20-I | одноволоконный: 1550Tx / 1310Rx, SM, SC, IND, 20 км |
| Промышленные источники питания для NIC-3200-101PS |
| AD1048-55FS | | Выход 55V/0,9A/48W, -40 ~ +70°C, монтаж на DIN-рейку, стену |
| AD1048-48FS | | Выход 48V/1A/48W, -40 ~ +70°C, монтаж на DIN-рейку, стену |
| DR-75-48 | | Выход 48V/1.6A/76W, -10 ~ +60°C, монтаж на DIN-рейку |
| Источники питания | SFP модули | АКСЕССУАРЫ |

|